Main Thames

We offer a wide range of spare parts for the Main Thames. Can't find the part you're looking for? You can contact us (using the details at the bottom of the page) and we'll be happy to help you find the part you need.

All of our boiler manuals are free to download from our boiler manuals section.

ALL PARTS FOR THIS MODEL
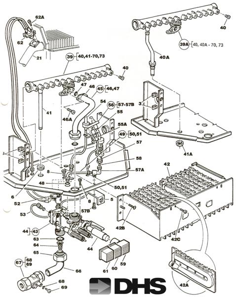
BURNER & CONTROL ASSEMBLY logo
BURNER & CONTROL ASSEMBLY
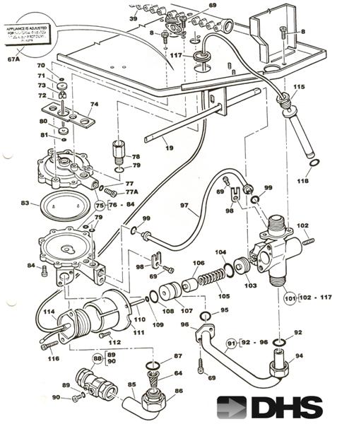
DIAPHRAGM & THERMOSTST ASSEMBL logo
DIAPHRAGM & THERMOSTST ASSEMBL
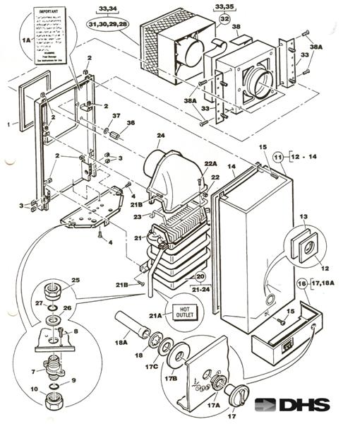
OUTER CASING HEAT EXCHANGER & logo
OUTER CASING HEAT EXCHANGER &