Uncategorised for Riello Rs38 810M 3784105
Brand: Riello Range: RS38 Model: 810M 3784105
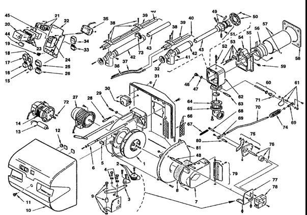
We have a range of spare parts for the Riello Rs38 810M 3784105. Can't find the part you're looking for? You can contact us and a member of our team will be more than happy to help find the part you need.
All of our boiler manuals are free to download from our boiler manuals section
You can narrow your results further by choosing one of the following sub-appliances:
