Uncategorised for Riello 40 419T55
Brand: Riello Range: 40 Model: 419T55
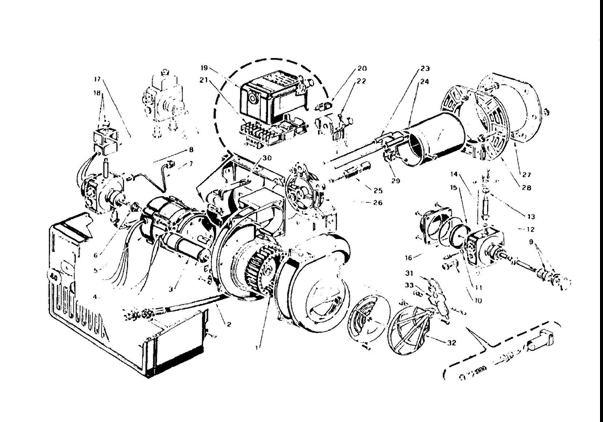
We offer a wide range of spare parts for the Riello 40 419T55. Can't find the part you're looking for? You can contact us and a member of our team will be more than happy to help find the part you need.
All of our boiler manuals are free to download from our boiler manuals section
You can narrow your results further by choosing one of the following sub-appliances:
