Uncategorised for Biasi Activ A 25S
Brand: Biasi Range: ACTIV A Model: 25S GC Number: 41-583-12
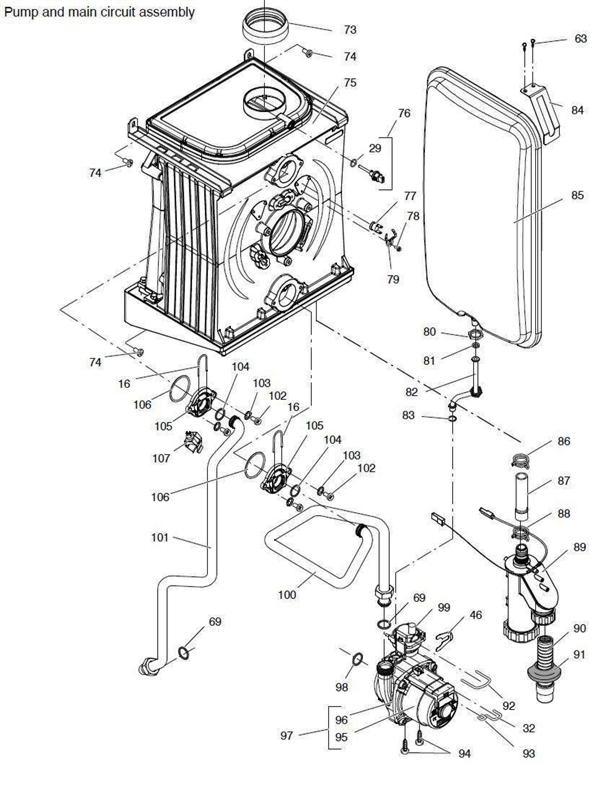
Here you can find the spare parts for the Biasi Activ A 25S. Can't find the part you're looking for? You can contact us and a member of our team will be more than happy to help find the part you need.
Installation ManualAll of our boiler manuals are free to download from our boiler manuals section
You can narrow your results further by choosing one of the following sub-appliances:



