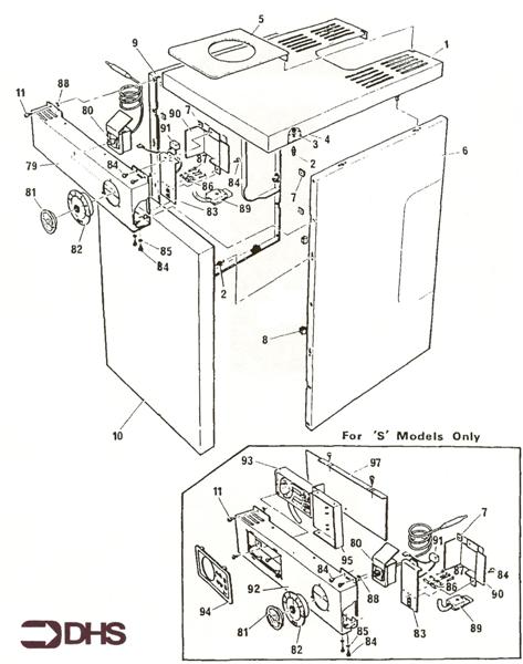
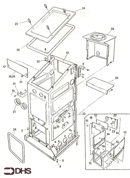
Baxi Floor Standing OF 401

We offer a wide range of spare parts for the Baxi Floor Standing OF 401. Can't find the part you're looking for? You can contact us (using the details at the bottom of the page) and we'll be happy to help you find the part you need.

All of our boiler manuals are free to download from our boiler manuals section.

ALL PARTS FOR THIS MODEL
BOILER ASSY logo
BOILER ASSY
BOX COMBUSTION logo
BOX COMBUSTION
DOOR & CONTROLS logo
DOOR & CONTROLS
OUTER CASE ASSY logo
OUTER CASE ASSY
SHORT PARTS LIST