Potterton Fireside Super

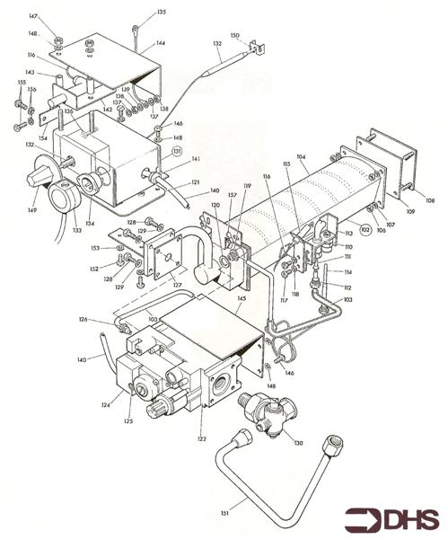
We offer a wide range of spare parts for the Potterton Fireside Super. Can't find the part you're looking for? You can contact us (using the details at the bottom of the page) and we'll be happy to help you find the part you need.

All of our boiler manuals are free to download from our boiler manuals section.

ALL PARTS FOR THIS MODEL
GAS CONTROLS logo
GAS CONTROLS
GAS FIRE ASSY logo
GAS FIRE ASSY