Potterton Kingfisher Mf CF 100

We offer a wide range of spare parts for the Potterton Kingfisher Mf CF 100. Can't find the part you're looking for? You can contact us (using the details at the bottom of the page) and we'll be happy to help you find the part you need.

All of our boiler manuals are free to download from our boiler manuals section.

ALL PARTS FOR THIS MODEL
ALTERNATIVE FLUE KITS
ALTERNATIVE FLUE KITS2 logo
ALTERNATIVE FLUE KITS2
BURNER/ COMB. & GAS ASSY logo
BURNER/ COMB. & GAS ASSY
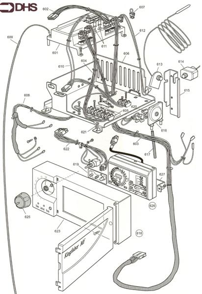
CONTROL PANEL - CF/RS WITH PRO logo
CONTROL PANEL - CF/RS WITH PRO
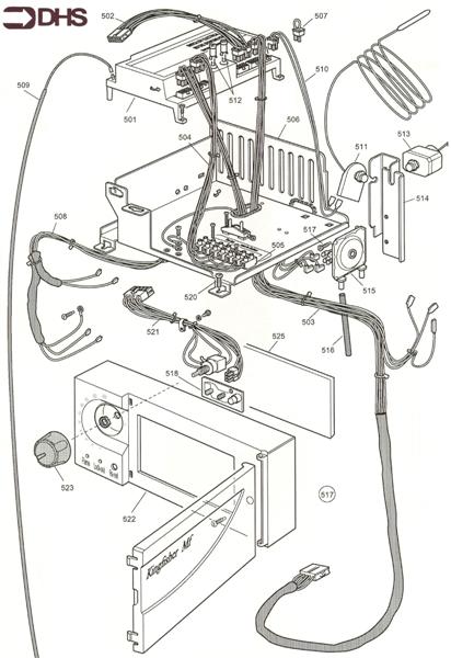
CONTROL PANEL ASSY logo
CONTROL PANEL ASSY