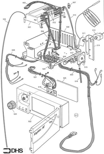
Potterton Kingfisher Mf RS 80

We offer a wide range of spare parts for the Potterton Kingfisher Mf RS 80. Can't find the part you're looking for? You can contact us (using the details at the bottom of the page) and we'll be happy to help you find the part you need.

All of our boiler manuals are free to download from our boiler manuals section.

ALL PARTS FOR THIS MODEL
CONTROL ASSY logo
CONTROL ASSY
CONTROL PANEL CF/RS WITH PROG
FLUE KITS
GAS ASSY AND COMB CHAMBER logo
GAS ASSY AND COMB CHAMBER