Potterton Performa 30HE

We offer a wide range of spare parts for the Potterton Performa 30HE. Can't find the part you're looking for? You can contact us (using the details at the bottom of the page) and we'll be happy to help you find the part you need.

All of our boiler manuals are free to download from our boiler manuals section.

ALL PARTS FOR THIS MODEL
CASING ASSY logo
CASING ASSY
COMB CHAMBER logo
COMB CHAMBER
CONTROLS logo
CONTROLS
HYDRAULICS logo
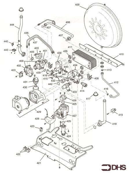
HYDRAULICS
SECONDARY HEAT EXCHANGER logo
SECONDARY HEAT EXCHANGER
SHORT PARTS LIST logo
SHORT PARTS LIST
SHORT PARTS LIST
STANDARD FLUE KIT logo
STANDARD FLUE KIT
WALL JIG - HYDRALIC CONNECTION logo
WALL JIG - HYDRALIC CONNECTION
WIRING HARNESSES logo
WIRING HARNESSES