Potterton Prima C 60C

We offer a wide range of spare parts for the Potterton Prima C 60C. Can't find the part you're looking for? You can contact us (using the details at the bottom of the page) and we'll be happy to help you find the part you need.

All of our boiler manuals are free to download from our boiler manuals section.

ALL PARTS FOR THIS MODEL
BALANCED FLUE DUCT ASSY logo
BALANCED FLUE DUCT ASSY
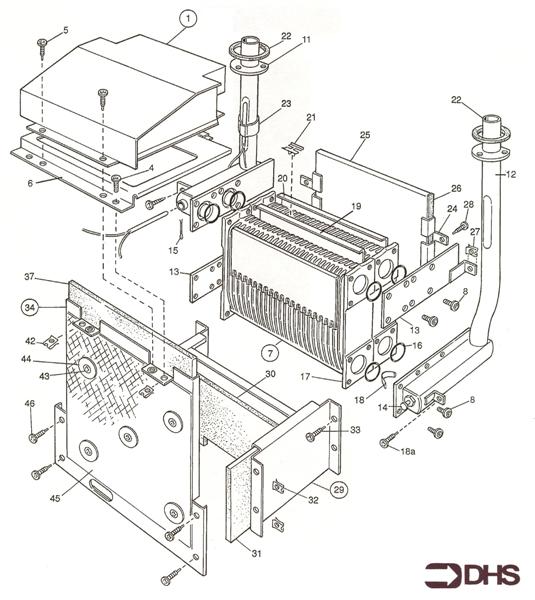
BOILER ASSY logo
BOILER ASSY
BOILER ASSY TYPE 2 logo
BOILER ASSY TYPE 2
GAS AND BOILER CONTROL ASSY logo
GAS AND BOILER CONTROL ASSY
SHORT PARTS LIST