Ferroli Optima 200

We offer a wide range of spare parts for the Ferroli Optima 200. Can't find the part you're looking for? You can contact us (using the details at the bottom of the page) and we'll be happy to help you find the part you need.

All of our boiler manuals are free to download from our boiler manuals section.

ADDITIONAL PARTS
ALL PARTS FOR THIS MODEL
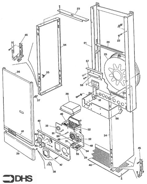
CASING ASSEMBLY & CONTROL BOX logo
CASING ASSEMBLY & CONTROL BOX
GAS TRAIN & COMBUSTION CHAMBER logo
GAS TRAIN & COMBUSTION CHAMBER
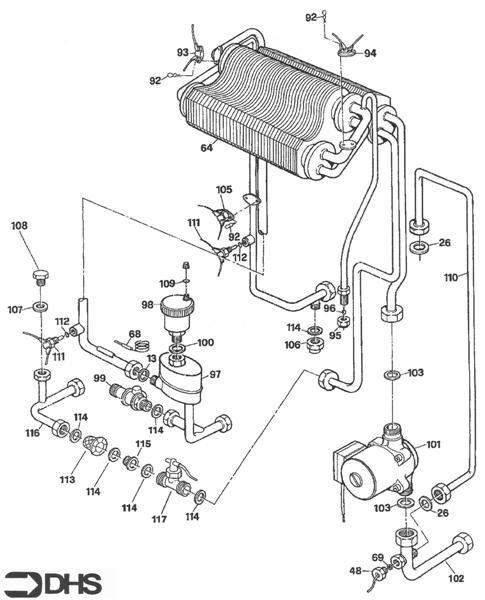
HEAT EXCHANGER - PUMP logo
HEAT EXCHANGER - PUMP
JIG BRACKET & COCKS logo
JIG BRACKET & COCKS
SHORT PARTS LIST