Glowworm Miami FIRE Mahogany

We offer a wide range of spare parts for the Glowworm Miami FIRE Mahogany. Can't find the part you're looking for? You can contact us (using the details at the bottom of the page) and we'll be happy to help you find the part you need.

All of our boiler manuals are free to download from our boiler manuals section.

BURNER ASSY logo
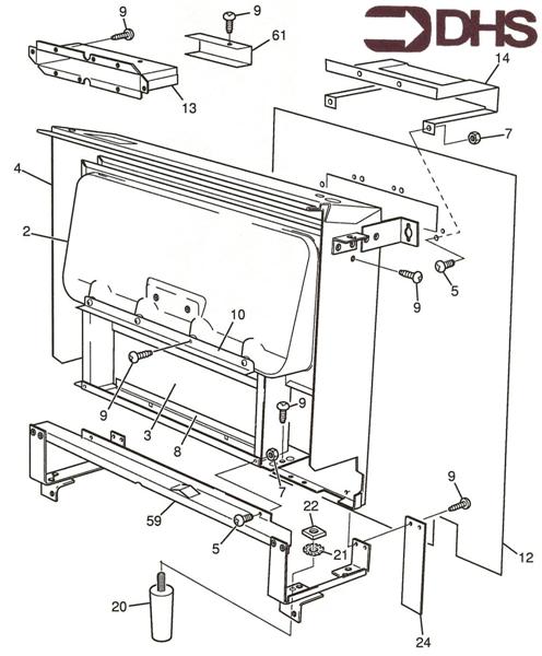
BURNER ASSY
FULL PARTS LISTING FOR THIS MO
HEAT EXCHANGER ASSY logo
HEAT EXCHANGER ASSY
OUTER CASING ASSY logo
OUTER CASING ASSY
SHORT PARTS LIST