Glowworm Revival FIRE

We offer a wide range of spare parts for the Glowworm Revival FIRE. Can't find the part you're looking for? You can contact us (using the details at the bottom of the page) and we'll be happy to help you find the part you need.

All of our boiler manuals are free to download from our boiler manuals section.

COMBUSTION CHAMBER logo
COMBUSTION CHAMBER
FIRE SURROUND logo
FIRE SURROUND
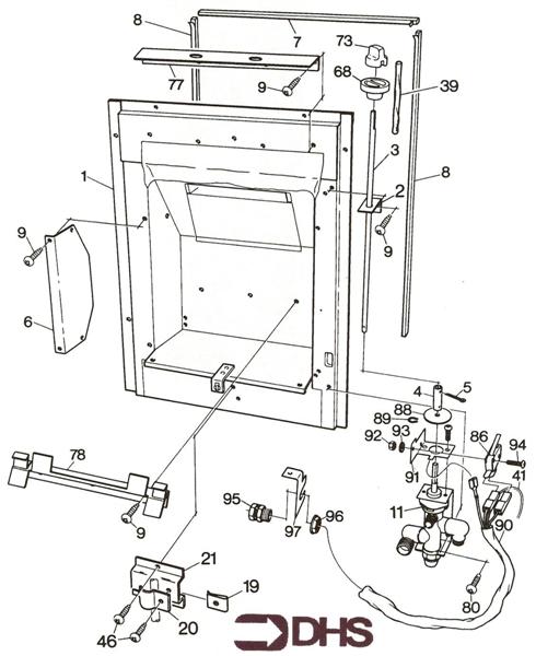
FULL PARTS LISTING FOR THIS MO
SHORT PARTS LIST
UPPER CASING ASSY logo
UPPER CASING ASSY