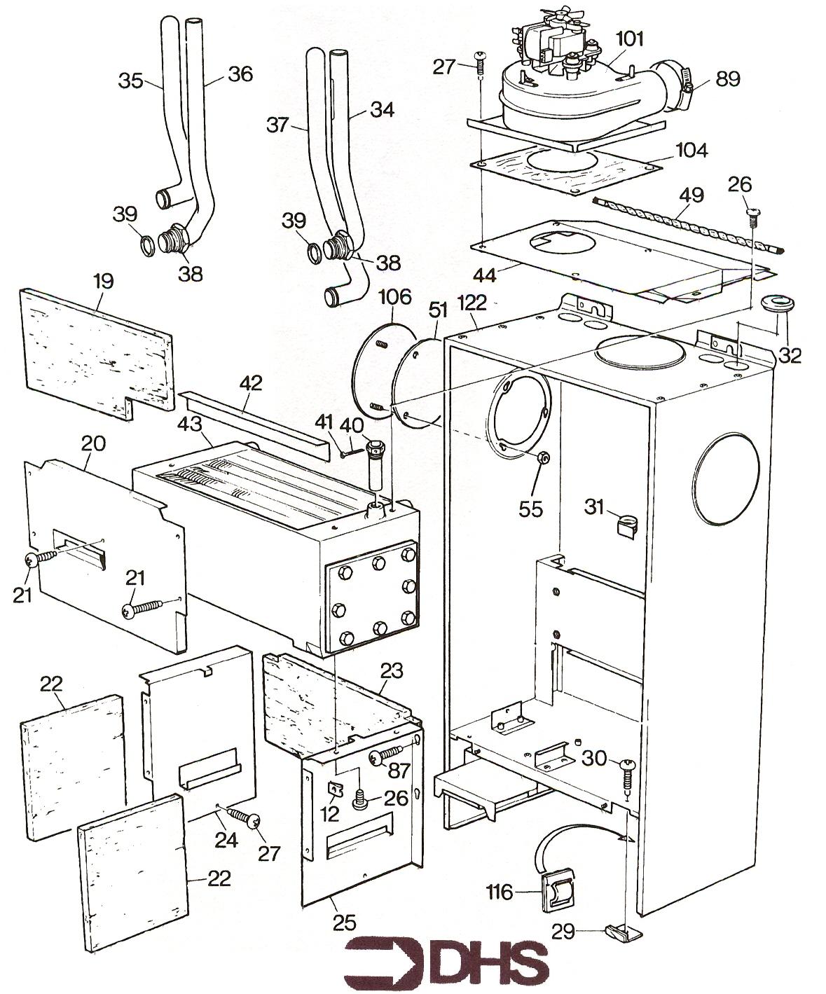
Glowworm Ultimate 30 FF / HEAT EXCHANGER

Brand: Glowworm Range: ULTIMATE Model: 30 FF GC Number: 41-319-56

We have a range of spare parts for the Glowworm Ultimate 30 FF. Can't find the part you're looking for? You can contact us and a member of our team will be more than happy to help find the part you need.

All of our boiler manuals are free to download from our boiler manuals section

Glow-worm S212207 Gasket Fan Mounting 104

Glow-worm S212207 Gasket Fan Mounting

Part No: 1334656 MPN: S212207

£10.43 inc VAT

In stock - Next day delivery available

GLOWWORM S210189 INSULATION COMBUSTION CHAMBER FRONT 019

GLOWWORM S210189 INSULATION COMBUSTION CHAMBER FRONT

Part No: 1334524 MPN: S210189

£9.59 inc VAT

In stock - Next day delivery available

GLOWWORM S208540 HOSECLIP SIZE 70 089

GLOWWORM S208540 HOSECLIP SIZE 70

Part No: 1334355 MPN: S208540

£11.75 inc VAT

In stock - Next day delivery available

GLOWWORM 2000800430 FAN ULTIMATE 30FF 101

GLOWWORM 2000800430 FAN ULTIMATE 30FF

Part No: 1330385 MPN: 2000800430

£337.20 inc VAT

In stock - Next day delivery available

GLOWWORM S212192 WASHER SEALING 039

GLOWWORM S212192 WASHER SEALING

Part No: 1334647 MPN: S212192

£9.59 inc VAT

Available in 5-7 working days

GLOWWORM S208308 SCREW M4X10MM 5DG MS PN 027

GLOWWORM S208308 SCREW M4X10MM 5DG MS PN

Part No: 1334293 MPN: S208308

£9.59 inc VAT

Available in 5-7 working days

041

GLOWWORM S208390 SPLIT PIN 1.6 X 25MM

Part No: 1334315 MPN: S208390

£6.95 inc VAT

Available in 5-7 working days

031

GLOWWORM SK6899 CLIP EDGE CABLE

Part No: 1336881 MPN: SK6899

£8.51 inc VAT

Available in 5-7 working days

116

GLOWWORM S204200 CLIP CABLE

Part No: 1333866 MPN: S204200

£8.51 inc VAT

Available in 5-7 working days

029

GLOWWORM S432915 GLAND PLATE ASSEMBLY MICRON

Part No: 1335637 MPN: S432915

£8.51 inc VAT

Available in 5-7 working days

GLOWWORM SFF0652 SCREW NO6 X 3/8 REC 013

GLOWWORM SFF0652 SCREW NO6 X 3/8 REC

Part No: 1336727 MPN: SFF0652

£8.51 inc VAT

Available in 5-7 working days

026

GLOWWORM S411402 SCREW M6X10MM MS PN REC BZP

Part No: 1335187 MPN: S411402

£8.51 inc VAT

Available in 5-7 working days

GLOWWORM SK8112 NUT SPIRE CAPT NO8 012

GLOWWORM SK8112 NUT SPIRE CAPT NO8

Part No: 1336920 MPN: SK8112

£8.51 inc VAT

Available in 5-7 working days

038

GLOWWORM S204912 NUT TUBING M33

Part No: 1333980 MPN: S204912

£8.63 inc VAT

Available in 5-7 working days

GLOWWORM SK8019 SCREW M5X10MM 5DG MS PN ZP 030

GLOWWORM SK8019 SCREW M5X10MM 5DG MS PN ZP

Part No: 1336910 MPN: SK8019

£8.75 inc VAT

Available in 5-7 working days

33 products found