Glowworm Ultimate 60 FF / FAN

Brand: Glowworm Range: ULTIMATE Model: 60 FF GC Number: 41-319-59

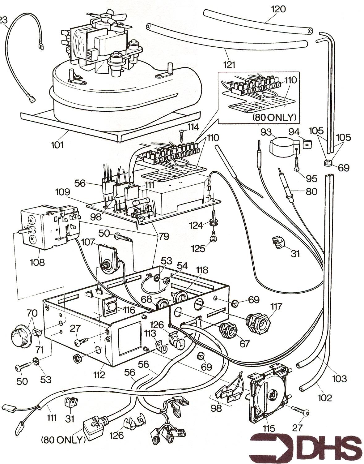
We offer a wide range of spare parts for the Glowworm Ultimate 60 FF. Can't find the part you're looking for? You can contact us and a member of our team will be more than happy to help find the part you need.

All of our boiler manuals are free to download from our boiler manuals section

Glow-worm S202626 Electrode - Micron FF/Ultimate FF 080

Glow-worm S202626 Electrode - Micron FF/Ultimate FF

Part No: 1333633 MPN: S202626

£28.80 inc VAT

In stock - Next day delivery available

Glow-worm S900847 Twin Fuse Printed Circuit Board - Including TPO - Micron/CI 109

£232.80 inc VAT

In stock - Next day delivery available

Glow-worm S900817 Single Fuse Printed Circuit Board - Economy/Fuelsaver/Ultimate 109

£200.40 inc VAT

In stock - Next day delivery available

GLOWWORM S212195 SEAL CASE TOP 015

GLOWWORM S212195 SEAL CASE TOP

Part No: 1334650 MPN: S212195

£9.11 inc VAT

In stock - Next day delivery available

GLOWWORM 2000800478 FAN ULTIMATE 60FF 101

GLOWWORM 2000800478 FAN ULTIMATE 60FF

Part No: 1330447 MPN: 2000800478

£380.40 inc VAT

In stock - Next day delivery available

GLOWWORM S800850 CONTROL STAT 108

GLOWWORM S800850 CONTROL STAT

Part No: 1336468 MPN: S800850

£54.00 inc VAT

Available in 5-7 working days

GLOWWORM S208308 SCREW M4X10MM 5DG MS PN 027

GLOWWORM S208308 SCREW M4X10MM 5DG MS PN

Part No: 1334293 MPN: S208308

£9.59 inc VAT

Available in 5-7 working days

GLOWWORM S446375 PLUG & CABLE ASSEMBLY (TAGGED) 056

GLOWWORM S446375 PLUG & CABLE ASSEMBLY (TAGGED)

Part No: 1335945 MPN: S446375

£45.60 inc VAT

Available in 5-7 working days

069

GLOWWORM S204220 GROMMET ROBERT MOSS

Part No: 1333873 MPN: S204220

£6.95 inc VAT

Available in 5-7 working days

GLOWWORM S403095 CLIP D SPIRE 071

GLOWWORM S403095 CLIP D SPIRE

Part No: 1335170 MPN: S403095

£8.51 inc VAT

In stock - Next day delivery available

050

GLOWWORM SK6359 SCREW M4X10MM MS PN REC ZP

Part No: 1336852 MPN: SK6359

£8.51 inc VAT

Available in 5-7 working days

068

GLOWWORM S204240 LOCKNUT ELKAY CAT 92

Part No: 1333881 MPN: S204240

£8.51 inc VAT

Available in 5-7 working days

116

GLOWWORM S204200 CLIP CABLE

Part No: 1333866 MPN: S204200

£8.51 inc VAT

Available in 5-7 working days

GLOWWORM SWW8303 LEAD ASSEMBLY GR/YELLOW 100MM 123

GLOWWORM SWW8303 LEAD ASSEMBLY GR/YELLOW 100MM

Part No: 1337095 MPN: SWW8303

£13.79 inc VAT

Available in 5-7 working days

GLOWWORM S204294 PCB SUPPORT PCB 048 NAT 124

GLOWWORM S204294 PCB SUPPORT PCB 048 NAT

Part No: 1333911 MPN: S204294

£8.51 inc VAT

Available in 5-7 working days

47 products found