Hamworthy Warmwell AUTO W95

We offer a wide range of spare parts for the Hamworthy Warmwell AUTO W95. Can't find the part you're looking for? You can contact us (using the details at the bottom of the page) and we'll be happy to help you find the part you need.

All of our boiler manuals are free to download from our boiler manuals section.

ALL PARTS
ALL PARTS
BURNER AND BASKET ASSEMBLY logo
BURNER AND BASKET ASSEMBLY
CASING ASSEMBLY
CONDENSING HEAT EXCHANGER
CONTROL PANEL logo
CONTROL PANEL
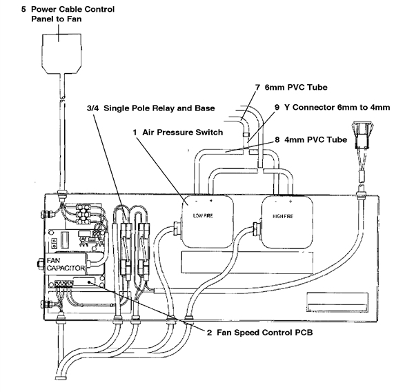
EXHAUST FAN CONTROL PANEL logo
EXHAUST FAN CONTROL PANEL
GAS TRAIN ASSEMBLY LPG
GAS TRAIN ASSEMBLY NAT GAS logo
GAS TRAIN ASSEMBLY NAT GAS
WET SECTION ASSEMBLY