Heatline Compact S30S

We offer a wide range of spare parts for the Heatline Compact S30S. Can't find the part you're looking for? You can contact us (using the details at the bottom of the page) and we'll be happy to help you find the part you need.

All of our boiler manuals are free to download from our boiler manuals section.

ALL PARTS FOR THIS MODEL
BURNER GROUP logo
BURNER GROUP
COMBUSTION CHAMBER logo
COMBUSTION CHAMBER
CONTROL PANEL logo
CONTROL PANEL
HEAT EXCHANGER logo
HEAT EXCHANGER
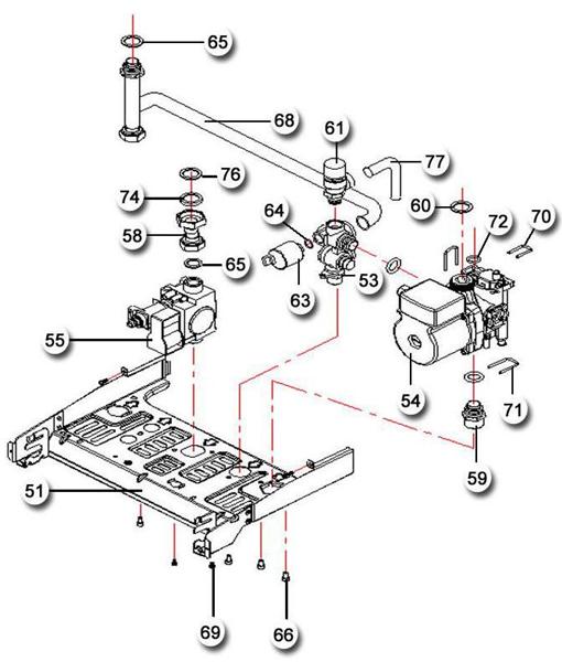
HYDROBLOCK GROUP logo
HYDROBLOCK GROUP
MAIN FRAME logo
MAIN FRAME
OUTER CASING logo
OUTER CASING
SHORT PARTS LIST