Heatline Vizo 24

We offer a wide range of spare parts for the Heatline Vizo 24. Can't find the part you're looking for? You can contact us (using the details at the bottom of the page) and we'll be happy to help you find the part you need.

All of our boiler manuals are free to download from our boiler manuals section.

ALL PARTS FOR THIS MODEL
BURNER GROUP logo
BURNER GROUP
COMBUSTION CHAMBER logo
COMBUSTION CHAMBER
CONDENSING UNIT logo
CONDENSING UNIT
CONNECTIONS
CONTROL PANEL logo
CONTROL PANEL
HEAT EXCHANGER logo
HEAT EXCHANGER
HYDROBLOCK GROUP logo
HYDROBLOCK GROUP
MAIN FRAME logo
MAIN FRAME
NOT ILLUSTRATED
OUTER CASING logo
OUTER CASING
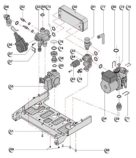
RETURN GROUP
SHORT PARTS LIST
THREE WAY VALVE