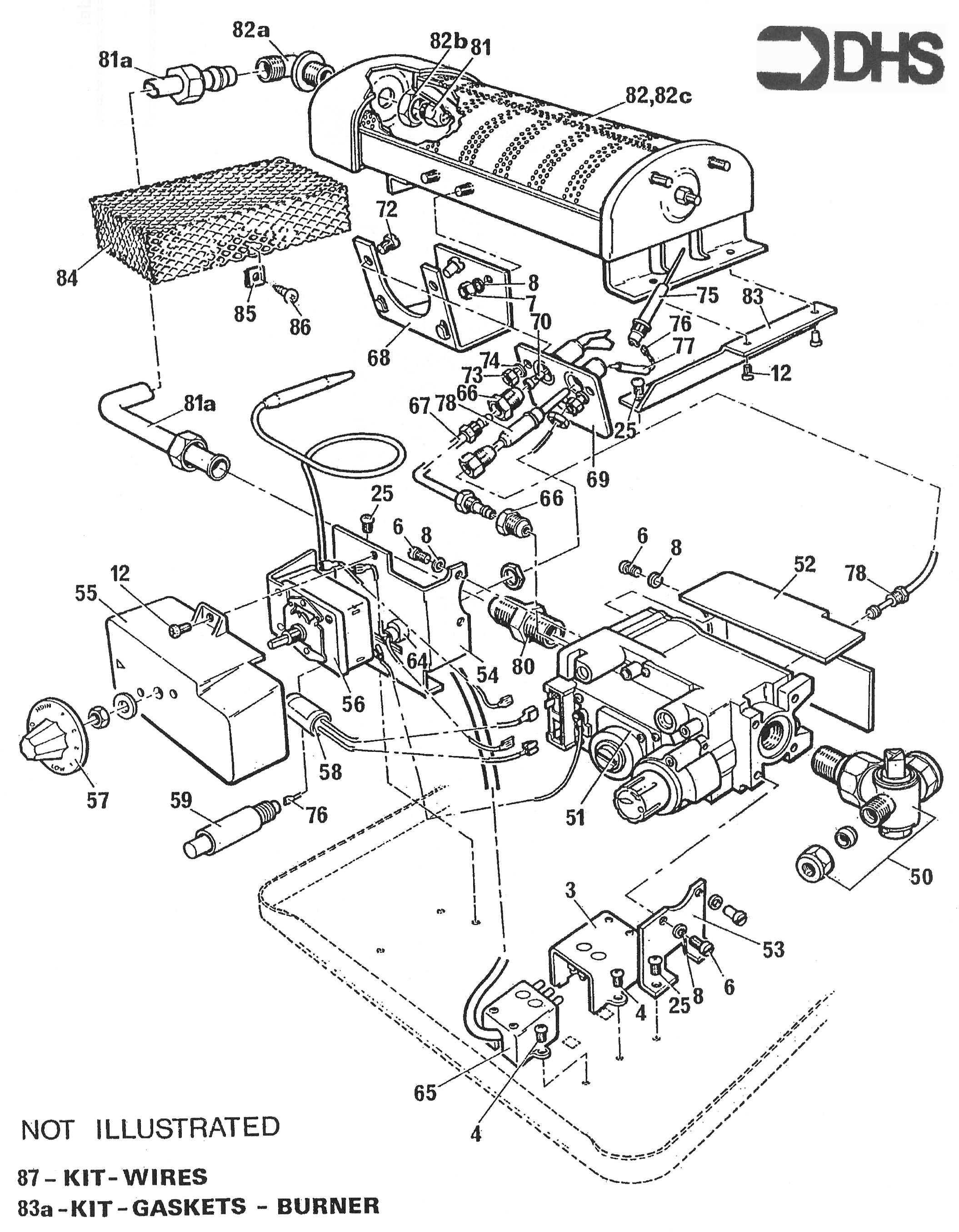
Baxi Bermuda C2 With Bermuda 551, 552 Or 401 / CONTROLS

Brand: Baxi Range: Bermuda Model: C2 With Bermuda 551, 552 or 401 GC Number: 37-077-02

We offer a wide range of spare parts for the Baxi Bermuda C2 With Bermuda 551, 552 Or 401. Can't find the part you're looking for? You can contact us and a member of our team will be more than happy to help find the part you need.

All of our boiler manuals are free to download from our boiler manuals section

Honeywell V4600C1086 1/2" Gas Valve 051

Honeywell V4600C1086 1/2" Gas Valve

Part No: 1902036 MPN: V4600C1086

£142.80 inc VAT

In stock - Next day delivery available

HONEYWELL Q359A1041 PILOT BURNER 069

HONEYWELL Q359A1041 PILOT BURNER

Part No: 1902250 MPN: 077868

Sorry, this part is now obsolete

View Part Details
2 products found