Potterton Kingfisher RS 60

We offer a wide range of spare parts for the Potterton Kingfisher RS 60. Can't find the part you're looking for? You can contact us (using the details at the bottom of the page) and we'll be happy to help you find the part you need.

All of our boiler manuals are free to download from our boiler manuals section.

ALL PARTS FOR THIS MODEL
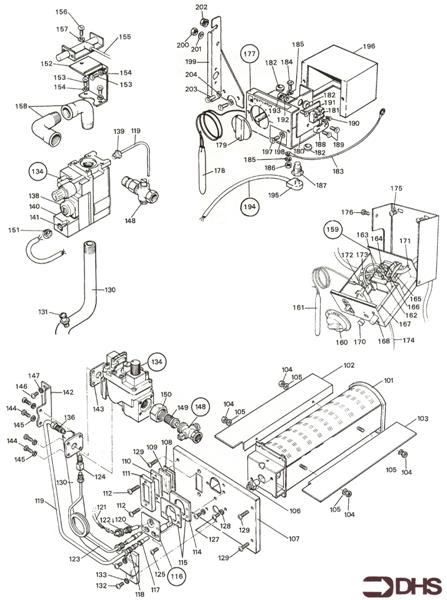
GAS & CONTROL MODULE ASSY logo
GAS & CONTROL MODULE ASSY
SHORT PARTS LIST