Ideal Commercial Imax W80P

We offer a wide range of spare parts for the Ideal Commercial Imax W80P. Can't find the part you're looking for? You can contact us (using the details at the bottom of the page) and we'll be happy to help you find the part you need.

All of our boiler manuals are free to download from our boiler manuals section.

ALL PARTS
ALL PARTS
BOILER ASSEMBLY logo
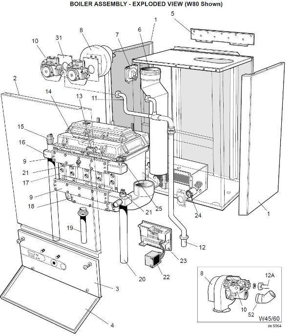
BOILER ASSEMBLY
BURNER & FAN logo
BURNER & FAN
SHORT PARTS LIST
SHORT PARTS LIST logo
SHORT PARTS LIST