Ideal Commercial Imax W60P

We offer a wide range of spare parts for the Ideal Commercial Imax W60P. Can't find the part you're looking for? You can contact us (using the details at the bottom of the page) and we'll be happy to help you find the part you need.

All of our boiler manuals are free to download from our boiler manuals section.

ALL PARTS
ALL PARTS
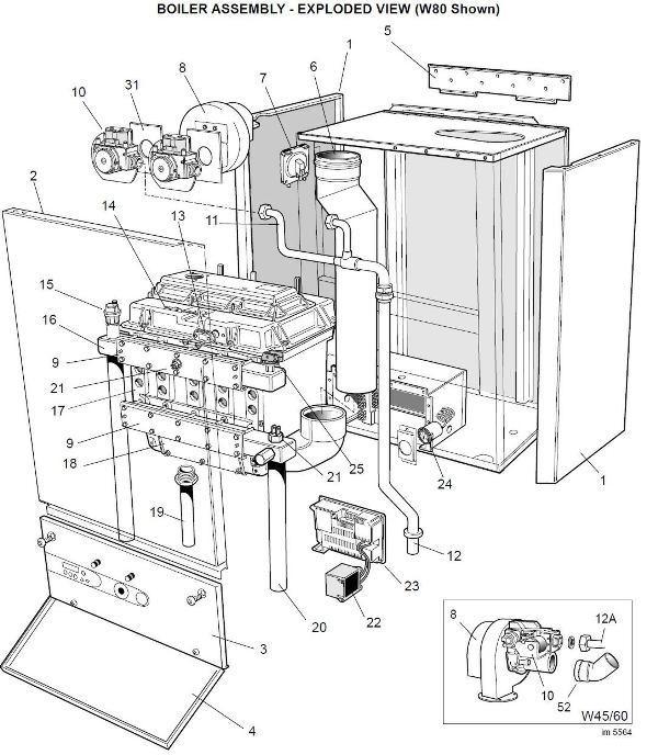
BOILER ASSEMBLY logo
BOILER ASSEMBLY
BURNER & FAN logo
BURNER & FAN