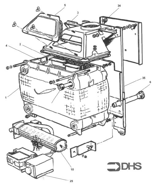
Ideal Domestic W2000 Cf 40N 40N
We offer a wide range of spare parts for the Ideal Domestic W2000 Cf 40N 40N. Can't find the part you're looking for? You can contact us (using the details at the bottom of the page) and we'll be happy to help you find the part you need.
All of our boiler manuals are free to download from our boiler manuals section.



