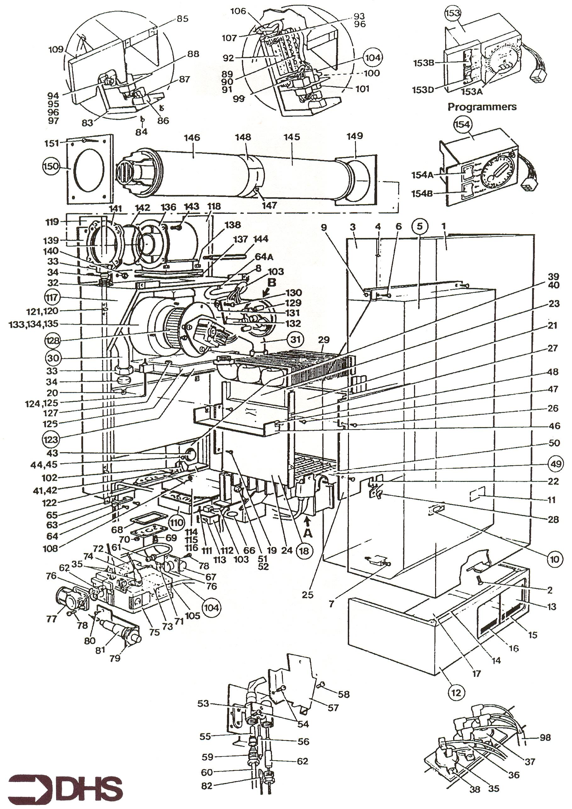
Myson Apollo Fanfare 30/50 S / COMPLETE MODEL

Brand: Myson Range: APOLLO Model: FANFARE 30/50 S

Here you will find all the spare parts for the Myson Apollo Fanfare 30/50 S. Can't find the part you're looking for? You can contact us and a member of our team will be more than happy to help find the part you need.

All of our boiler manuals are free to download from our boiler manuals section

044

MAIN S/108/4 SCREW NO.6 X 10 POZI PAN

Part No: 1161935 MPN: S/108/4

Sorry, this part is now obsolete

View Part Details
1 product found