Myson Housewarmer 55 Electronic Ember / BOILER

Brand: Myson Range: HOUSEWARMER Model: 55 ELECTRONIC EMBER

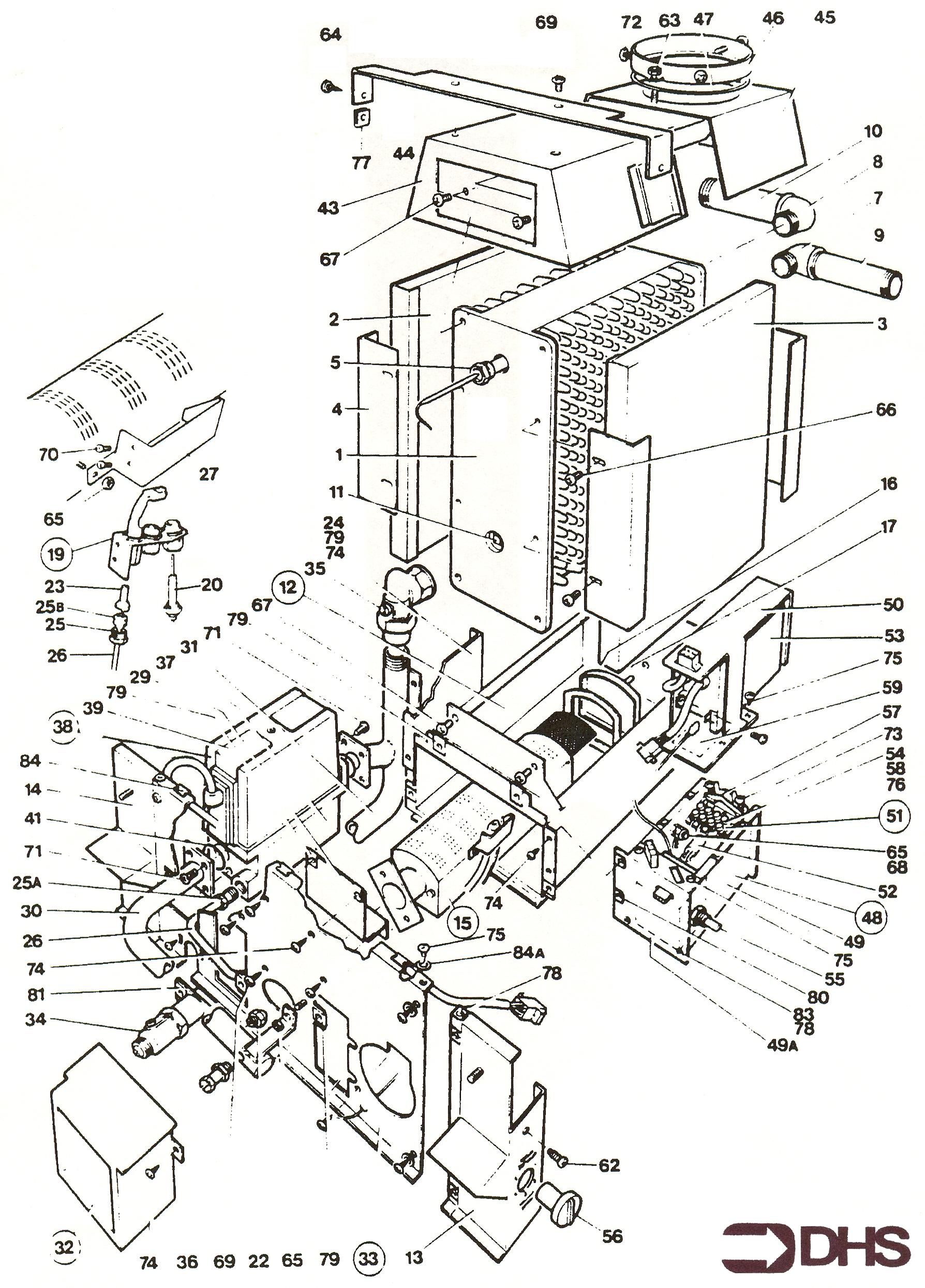
Here you will find all the spare parts for the Myson Housewarmer 55 Electronic Ember. Can't find the part you're looking for? You can contact us and a member of our team will be more than happy to help find the part you need.

All of our boiler manuals are free to download from our boiler manuals section

025

MAIN 500/7203 TUBING NUT

Part No: 1160330 MPN: 500/7203

Sorry, this part is now obsolete

View Part Details
1 product found