Potterton Mainflame 949 Black

We offer a wide range of spare parts for the Potterton Mainflame 949 Black. Can't find the part you're looking for? You can contact us (using the details at the bottom of the page) and we'll be happy to help you find the part you need.

All of our boiler manuals are free to download from our boiler manuals section.

ALL PARTS FOR THIS MODEL
BURNER AND CERAMICS logo
BURNER AND CERAMICS
BURNER ASSY logo
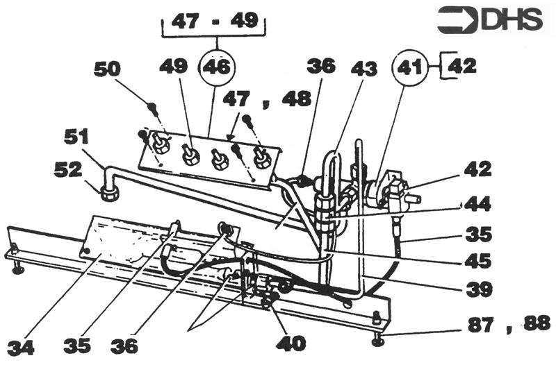
BURNER ASSY
BURNER BOX ASSY logo
BURNER BOX ASSY
COAL AND COAL BED logo
COAL AND COAL BED
OUTER CASING AND FIREBOX ASSY logo
OUTER CASING AND FIREBOX ASSY
OUTER CASING ASSY logo
OUTER CASING ASSY
SHORT PARTS LIST