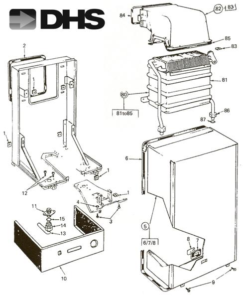
Main Thermo Late Production
We offer a wide range of spare parts for the Main Thermo Late Production. Can't find the part you're looking for? You can contact us (using the details at the bottom of the page) and we'll be happy to help you find the part you need.
All of our boiler manuals are free to download from our boiler manuals section.

