Myson Economist Wm 40/55 B / BOILER ASSEMBLY

Brand: Myson Range: ECONOMIST Model: WM 40/55 B

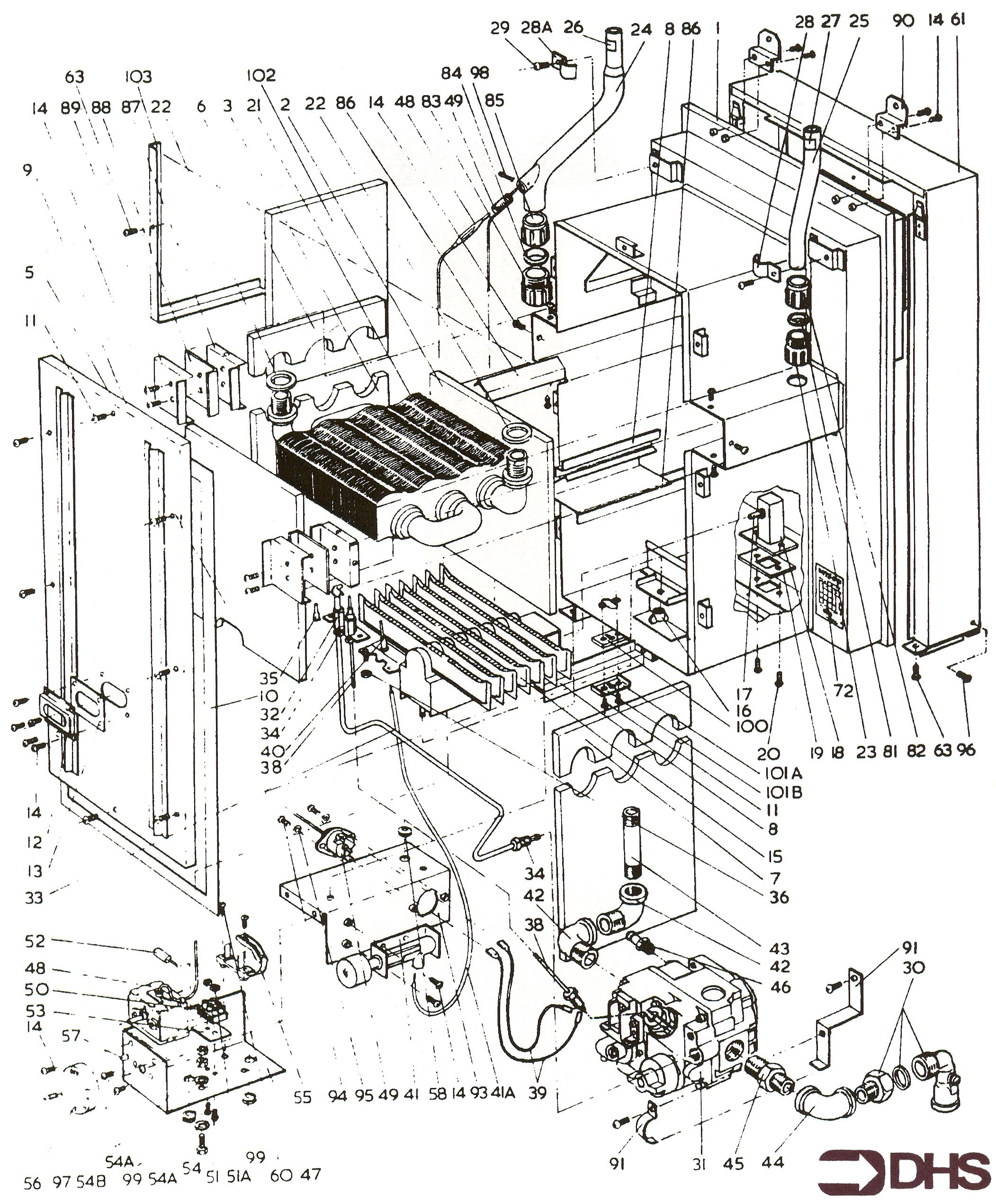
Here you will find all the spare parts for the Myson Economist Wm 40/55 B. Can't find the part you're looking for? You can contact us and a member of our team will be more than happy to help find the part you need.

All of our boiler manuals are free to download from our boiler manuals section

040

MYSN 68202135 ELECTRODE 60951 -OBSOLETE

Part No: 1131303 MPN: 68202135

Sorry, this part is now obsolete

View Part Details
081

MYSON 402C169 22MM OLIVE.

Part No: 1130978 MPN: 402C169

Sorry, this part is now obsolete

View Part Details
060

MYSON 168S 8 X 1/2" STEEL SCREW

Part No: 1130322 MPN: 168S

Sorry, this part is now obsolete

View Part Details
055

MYSON 307S504 CLAMP MAINS CABLE

Part No: 1130757 MPN: 307S504

Sorry, this part is now obsolete

View Part Details
MYSON 68250809 THERMOSTAT KNOB 056

MYSON 68250809 THERMOSTAT KNOB

Part No: 1131307 MPN: 68250809

Sorry, this part is now obsolete

View Part Details
5 products found