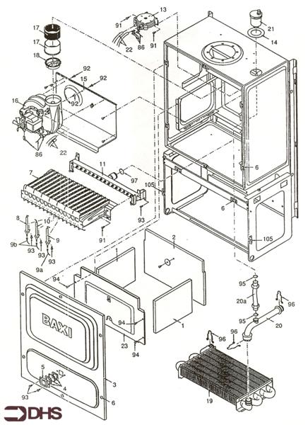
Baxi Bahama 100 (Sit)

We offer a wide range of spare parts for the Baxi Bahama 100 (Sit). Can't find the part you're looking for? You can contact us (using the details at the bottom of the page) and we'll be happy to help you find the part you need.

All of our boiler manuals are free to download from our boiler manuals section.

ALL PARTS FOR THIS MODEL
COMBUSTION BOX logo
COMBUSTION BOX
CONTROLS logo
CONTROLS
FLUE logo
FLUE
HYDRAULICS logo
HYDRAULICS
OUTERCASE logo
OUTERCASE
SHORT PARTS LIST logo
SHORT PARTS LIST
SHORT PARTS LIST
SUPPORT BRACKET & TAPS logo
SUPPORT BRACKET & TAPS