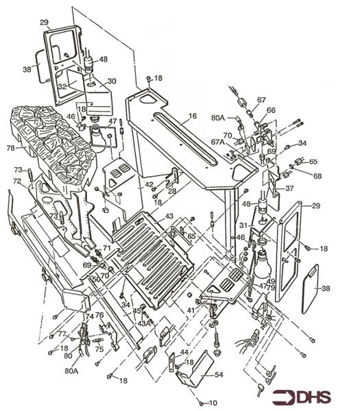
Baxi Baroque Super Super

We offer a wide range of spare parts for the Baxi Baroque Super Super. Can't find the part you're looking for? You can contact us (using the details at the bottom of the page) and we'll be happy to help you find the part you need.

All of our boiler manuals are free to download from our boiler manuals section.

ALL PARTS FOR THIS MODEL
CONTROLS ASSY logo
CONTROLS ASSY
HEAT EXCHANGER logo
HEAT EXCHANGER
OUTER CASING ASSY logo
OUTER CASING ASSY
SHORT PARTS LIST logo
SHORT PARTS LIST
SHORT PARTS LIST