Baxi Solo 3 PFL System 50

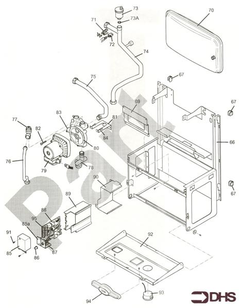
We offer a wide range of spare parts for the Baxi Solo 3 PFL System 50. Can't find the part you're looking for? You can contact us (using the details at the bottom of the page) and we'll be happy to help you find the part you need.

All of our boiler manuals are free to download from our boiler manuals section.

ALL PARTS FOR THIS MODEL
BOX COMBUSTION logo
BOX COMBUSTION
CONTROLS & HYDRAULICS logo
CONTROLS & HYDRAULICS
SHORT PARTS LIST