Myson Midas B / BOILER AND HEAT EXCHANGER

Brand: Myson Range: MIDAS Model: B

We have a wide range of spare parts for the Myson Midas B. Can't find the part you're looking for? You can contact us and a member of our team will be more than happy to help find the part you need.

Installation Manual

All of our boiler manuals are free to download from our boiler manuals section

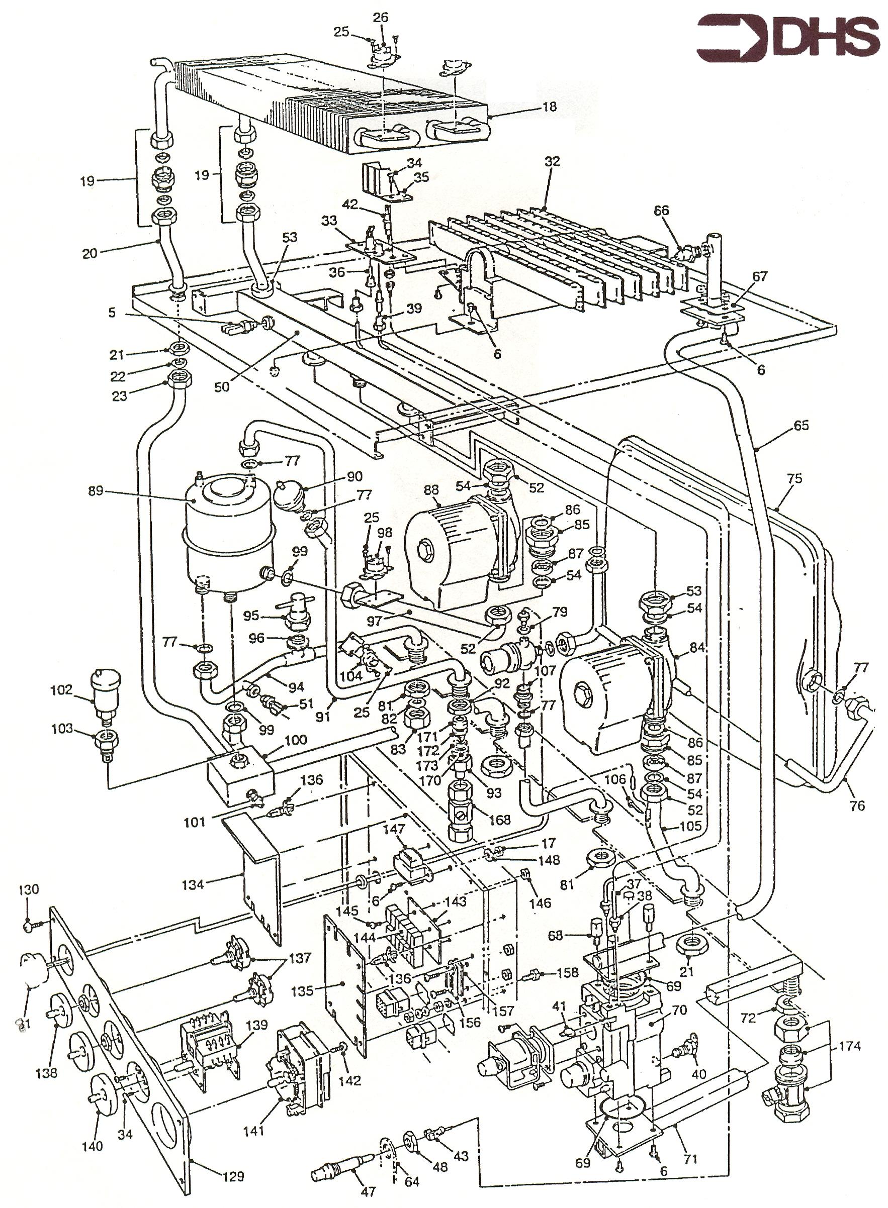
POTTERTON 405/0318 PUMP CP61 084

POTTERTON 405/0318 PUMP CP61

Part No: 1122584 MPN: 405/0318

Sorry, this part is now obsolete

View Part Details
136

POTTERTON 5570001900 MOUNTING PILLAR

Part No: 1123931 MPN: 5570001900

Sorry, this part is now obsolete

View Part Details
POTTERTON 402560 HONEYWELL PILOT INJECTOR (STD) 036

POTTERTON 402560 HONEYWELL PILOT INJECTOR (STD)

Part No: 1122385 MPN: 402560

Sorry, this part is now obsolete

View Part Details
148

POTTERTON 670147 WASHER FORM A M5 B

Part No: 1124422 MPN: 670147

Sorry, this part is now obsolete

View Part Details
006

POTTERTON 633926 SCREW PANPOZ M5X10 MS NP

Part No: 1124205 MPN: 633926

Sorry, this part is now obsolete

View Part Details
5 products found