Myson Midas BF

We offer a wide range of spare parts for the Myson Midas BF. Can't find the part you're looking for? You can contact us (using the details at the bottom of the page) and we'll be happy to help you find the part you need.

All of our boiler manuals are free to download from our boiler manuals section.

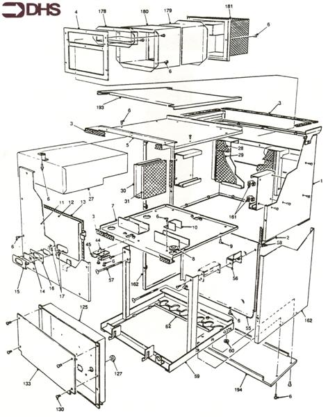
ALL PARTS FOR THIS MODEL
BOILER AND HEAT EXCHANGER logo
BOILER AND HEAT EXCHANGER
CASING AND FLUE logo
CASING AND FLUE
SHORTS PARTS LIST
SPARE PARTS