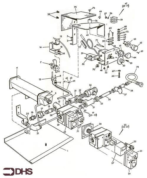
Potterton 51 Gas Fire NG

We offer a wide range of spare parts for the Potterton 51 Gas Fire NG. Can't find the part you're looking for? You can contact us (using the details at the bottom of the page) and we'll be happy to help you find the part you need.

All of our boiler manuals are free to download from our boiler manuals section.

ALL PARTS FOR THIS MODEL
GAS FIRE ASSY logo
GAS FIRE ASSY
NATURAL GAS ASSY logo
NATURAL GAS ASSY
NATURAL GAS ASSY - FLANGE MOUN logo
NATURAL GAS ASSY - FLANGE MOUN
WATERWAY COMB CHAMBER logo
WATERWAY COMB CHAMBER