Potterton French Type 1B

We offer a wide range of spare parts for the Potterton French Type 1B. Can't find the part you're looking for? You can contact us (using the details at the bottom of the page) and we'll be happy to help you find the part you need.

All of our boiler manuals are free to download from our boiler manuals section.

ALL PARTS FOR THIS MODEL
BOILER ASSY logo
BOILER ASSY
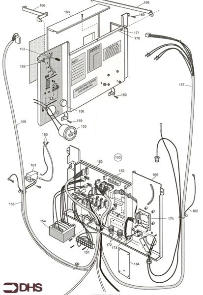
CONTROL ASSY logo
CONTROL ASSY
FLUE ASSY
GAS ARRANGEMENT logo
GAS ARRANGEMENT
INNER CASING ASSY logo
INNER CASING ASSY
OUTER CASING ASSY
OUTER CASING ASSY - CHAPPEE logo
OUTER CASING ASSY - CHAPPEE
SHORT PARTS LIST
STORAGE TANK