Potterton Kingfisher RS 50 Aeromatic

We offer a wide range of spare parts for the Potterton Kingfisher RS 50 Aeromatic. Can't find the part you're looking for? You can contact us (using the details at the bottom of the page) and we'll be happy to help you find the part you need.

All of our boiler manuals are free to download from our boiler manuals section.

AIR DUCT AND FLUE ASSY logo
AIR DUCT AND FLUE ASSY
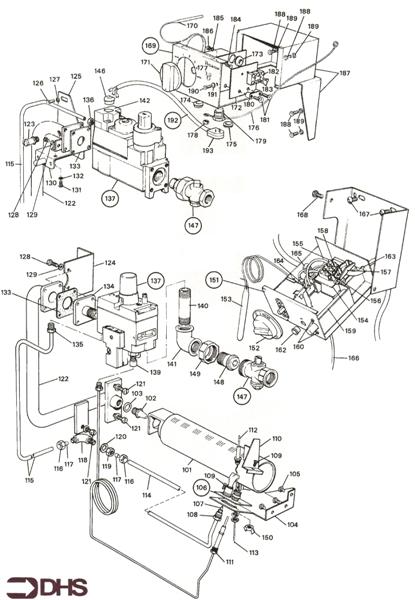
ALL PARTS FOR THIS MODEL
CASING ASSY KF2 logo
CASING ASSY KF2
GAS & CONTROL MODULE ASSY logo
GAS & CONTROL MODULE ASSY
HEAT EXCH / COMB & FLUEHOOD AS logo
HEAT EXCH / COMB & FLUEHOOD AS
SHORT PARTS LIST