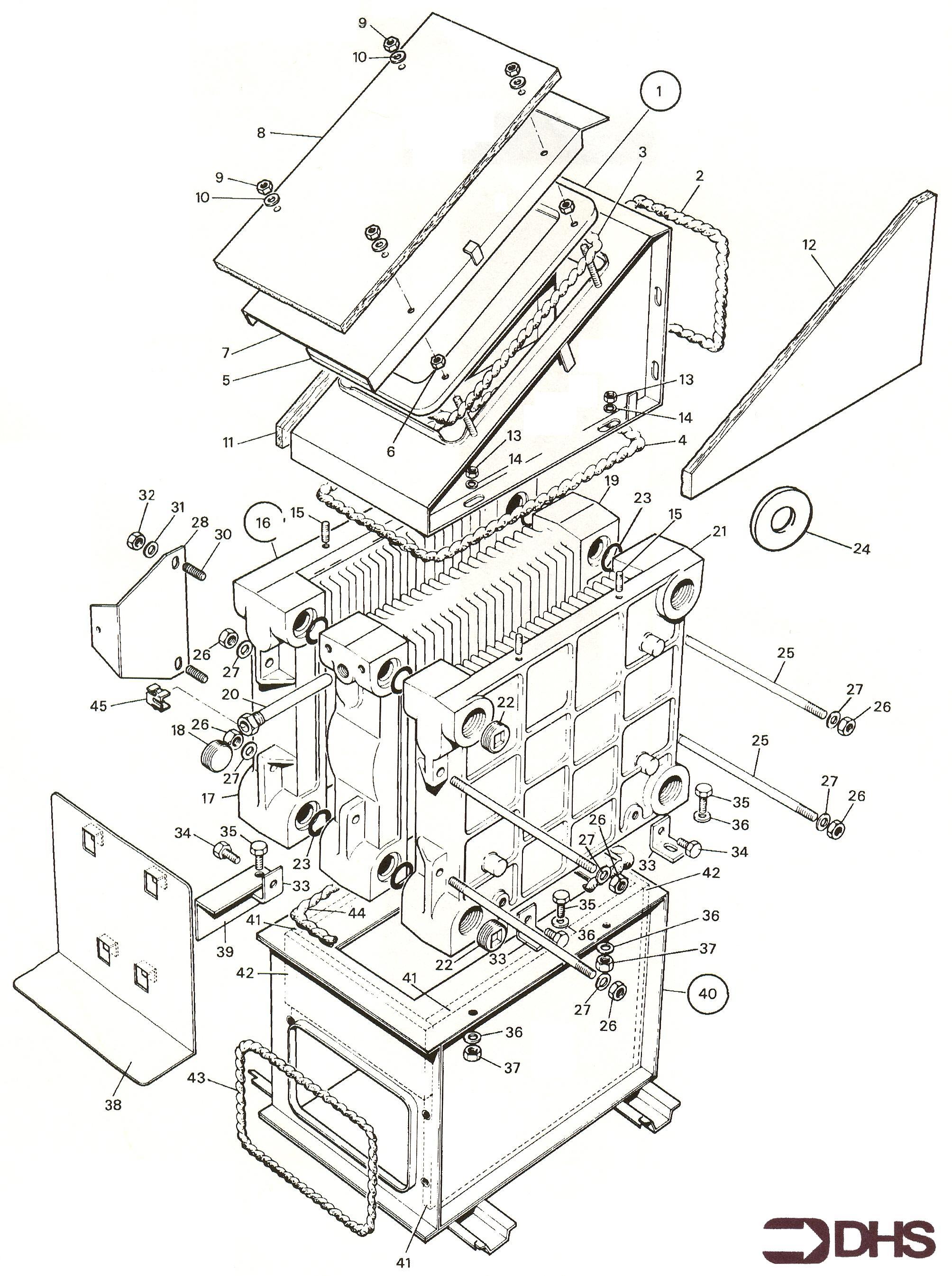
Potterton Kingfisher 2 RS 60(Ttb) / HEAT EXCH / COMB & FLUEHOOD AS

Brand: Potterton Range: KINGFISHER 2 Model: RS 60(TTB) GC Number: 41-607-47

We have a range of spare parts for the Potterton Kingfisher 2 RS 60(Ttb). Can't find the part you're looking for? You can contact us and a member of our team will be more than happy to help find the part you need.

All of our boiler manuals are free to download from our boiler manuals section

010/014/03

VALOR 617173 WASHER FLAT M6 LARGE

Part No: 1146732 MPN: 617173

Sorry, this part is now obsolete

View Part Details
1 product found