Valor Obsession 750FS

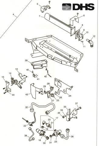
We offer a wide range of spare parts for the Valor Obsession 750FS. Can't find the part you're looking for? You can contact us (using the details at the bottom of the page) and we'll be happy to help you find the part you need.

All of our boiler manuals are free to download from our boiler manuals section.

ALL PARTS FOR THIS MODEL
CERAMIC COAL FUEL EFFECT logo
CERAMIC COAL FUEL EFFECT
CERAMIC PEBBLE FUEL EFFECT logo
CERAMIC PEBBLE FUEL EFFECT
ENGINE logo
ENGINE
LOOSE PARTS logo
LOOSE PARTS