Vokera Mynute 10 Se

We offer a wide range of spare parts for the Vokera Mynute 10 Se. Can't find the part you're looking for? You can contact us (using the details at the bottom of the page) and we'll be happy to help you find the part you need.

All of our boiler manuals are free to download from our boiler manuals section.

ALL PARTS FOR THIS MODEL
BURNER ASSY logo
BURNER ASSY
CASING COVER logo
CASING COVER
COMBUSTION CHAMBER logo
COMBUSTION CHAMBER
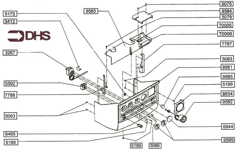
CONNECTIONS
CONTROLS COVER logo
CONTROLS COVER
EXPANSION VESSEL logo
EXPANSION VESSEL
FAN ASSY logo
FAN ASSY
FLOW MANIFOLD logo
FLOW MANIFOLD
FLOW MANIFOLD BREAKDOWN logo
FLOW MANIFOLD BREAKDOWN
FLUE - PRESSURE SWITCH logo
FLUE - PRESSURE SWITCH
PIPEWORK logo
PIPEWORK
PIPEWORK ASSY logo
PIPEWORK ASSY
PUMP logo
PUMP
SHORT PARTS LIST