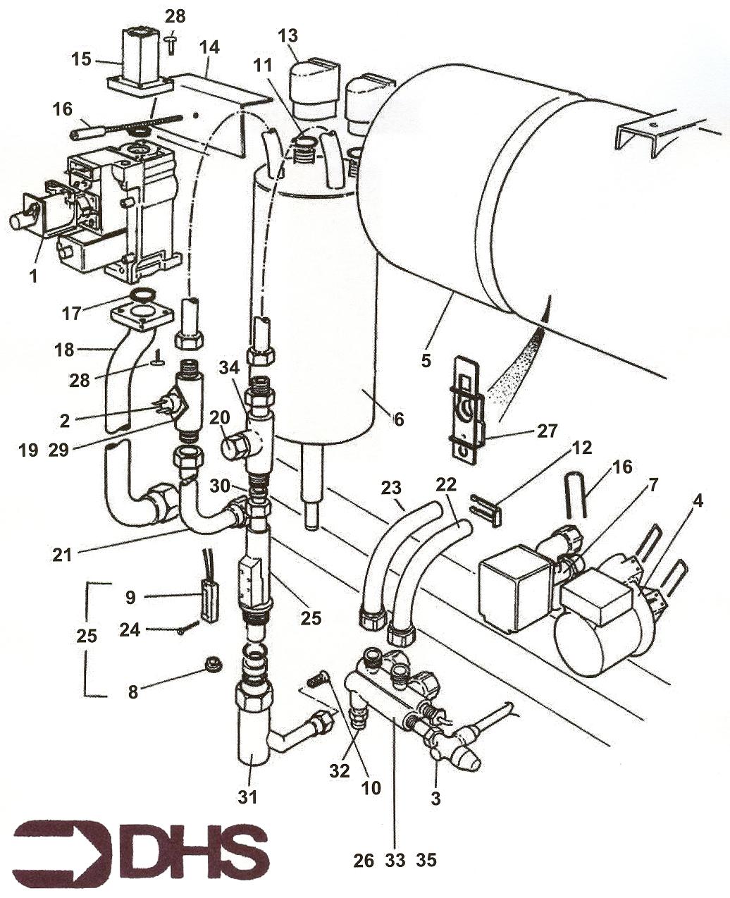
Worcester 280 LPG FSp Combi / PUMP & HYDRAULIC ASSY
Brand: Worcester Range: 280 Model: LPG FSP Combi Appliance Code: 7716130009
Here you can find the spare parts for the Worcester 280 LPG FSp Combi. Can't find the part you're looking for? You can contact us and a member of our team will be more than happy to help find the part you need.
Installation ManualAll of our boiler manuals are free to download from our boiler manuals section

Worcester Bosch 87161424160 Pressure Relief Valve - 1/2 x 15mm x 1/8 - Danesmoor
Part No: 1018183 MPN: 87161424160

Worcester Bosch 87101030450 Fibre Washer - 18.6x13.5x1.5 - 10 Pk - Junior/Si/CDi
Part No: 1012317 MPN: 87101030450

Worcester Bosch 87161410570 Flow Regulator Type E-W - 10 Litre Blue - Greenstar
Part No: 1017703 MPN: 87161410570