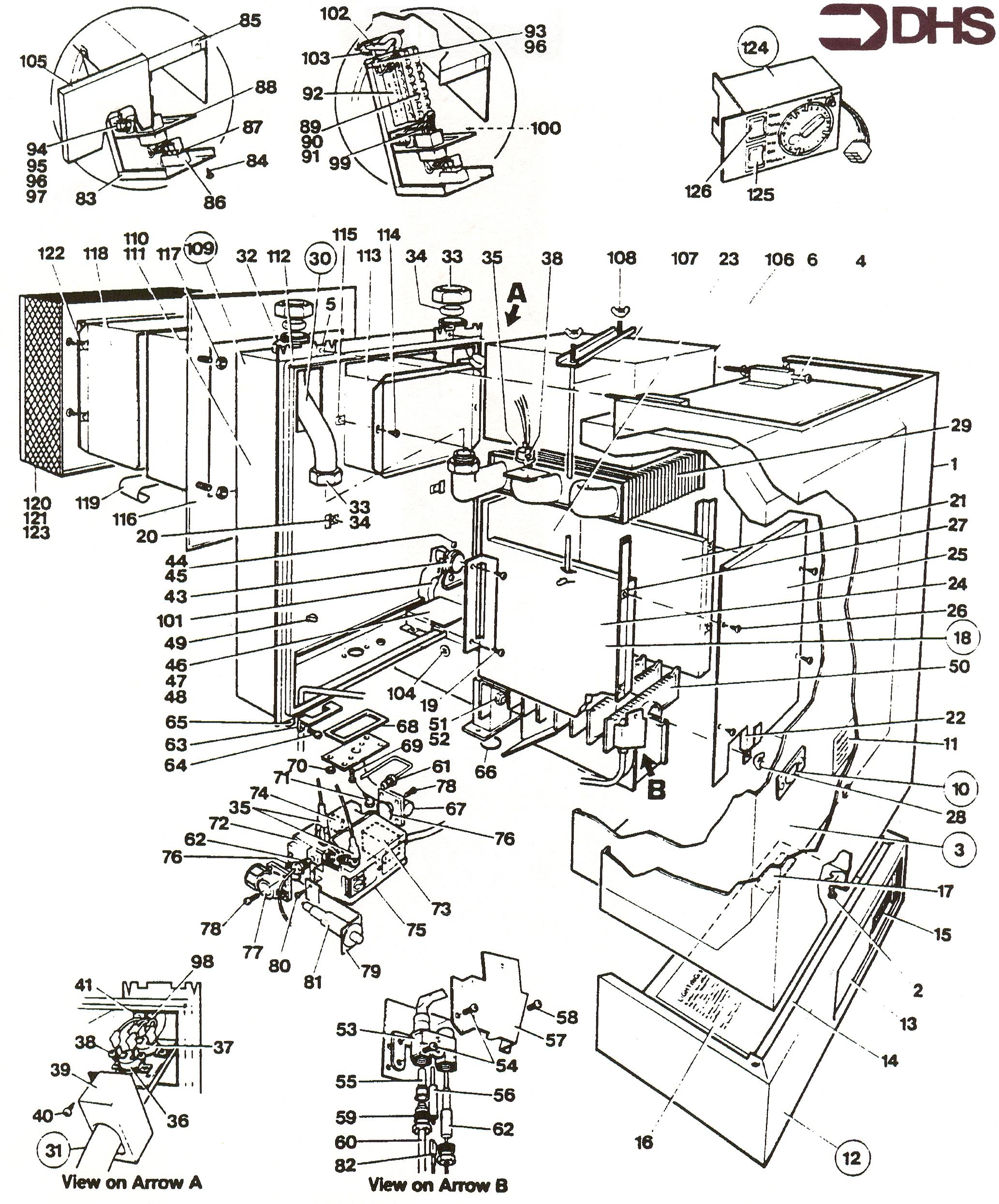
Myson Apollo 50 B / COMPLETE MODEL

Brand: Myson Range: APOLLO Model: 50 B

We have a wide range of spare parts for the Myson Apollo 50 B. Can't find the part you're looking for? You can contact us and a member of our team will be more than happy to help find the part you need.

All of our boiler manuals are free to download from our boiler manuals section

HONEYWELL 45900406-003 SOLENOID RED 240V (060524) 073

HONEYWELL 45900406-003 SOLENOID RED 240V (060524)

Part No: 1902126 MPN: 45900406-003U

£14.75 inc VAT

In stock - Next day delivery available

HONEYWELL Q385A1095 PILOT BURNER (BP 10) 053

HONEYWELL Q385A1095 PILOT BURNER (BP 10)

Part No: 1903105 MPN: Q385A1095

£16.07 inc VAT

In stock - Next day delivery available

HONEYWELL V4700E1098 GAS VALVE 072

HONEYWELL V4700E1098 GAS VALVE

Part No: 1902058 MPN: 173347

Sorry, this part is now obsolete

View Part Details
HWEL 45004388-001 COUPLING PILOT SUPPLY - OBSOLETE 061

HWEL 45004388-001 COUPLING PILOT SUPPLY - OBSOLETE

Part No: 1905001 MPN: 45004388-001

Sorry, this part is now obsolete

View Part Details
HWEL 45900401-032 COVER - OBSOLETE 075

HWEL 45900401-032 COVER - OBSOLETE

Part No: 1905005 MPN: 45900401-032

Sorry, this part is now obsolete

View Part Details
5 products found