Gas Boiler Spares for Ideal Domestic Mexico Super CF 140
Brand: Ideal Domestic Range: MEXICO Super Model: CF 140
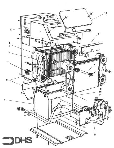
We have a range of spare parts for the Ideal Domestic Mexico Super CF 140. Can't find the part you're looking for? You can contact us and a member of our team will be more than happy to help find the part you need.
All of our boiler manuals are free to download from our boiler manuals section
You can narrow your results further by choosing one of the following sub-appliances:
24 Ideal 003114 Compact 1/2in Gas Valve - V4600A1023U - Mexico Slimline/Mexico 2
Part No: 1170067 MPN: 003114
028 Ideal 003876 Thermocouple 750Mm Q309A2747B - Elan 2/Excel/Mexico Super 2
Part No: 1170043 MPN: 003876
25 Ideal 003248 O Ring 25.00mm I/D X 4.00mm Section Mn - BG/SG/Henrad/Mexico
Part No: 1170089 MPN: 003248
6 Ideal 055865 Thermostat Pocket Assembly 6339004 - Cavalcade/Concord/Mexico
Part No: 1170762 MPN: 055865



