Gas Boiler Spares for Worcester 280 NG FSN Combi
Brand: Worcester Range: 280 Model: NG FSN Combi GC Number: 47-311-11
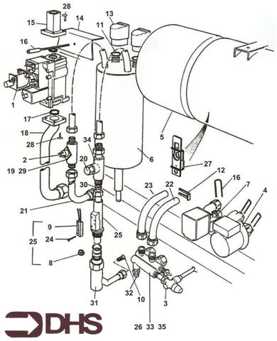
We have a range of spare parts for the Worcester 280 NG FSN Combi. Can't find the part you're looking for? You can contact us and a member of our team will be more than happy to help find the part you need.
Installation ManualAll of our boiler manuals are free to download from our boiler manuals section
You can narrow your results further by choosing one of the following sub-appliances:
010 Worcester Bosch 87161405000 3/8" Automatic Air Vent - SS Kit - CDi/Greenstar
Part No: 1017365 MPN: 87161405000
003 Worcester Bosch 87161424160 Pressure Relief Valve - 1/2 x 15mm x 1/8 - Danesmoor
Part No: 1018183 MPN: 87161424160
030 Worcester Bosch 87101030450 Fibre Washer - 18.6x13.5x1.5 - 10 Pk - Junior/Si/CDi
Part No: 1012317 MPN: 87101030450
033 Worcester Bosch 87101030430 Fibre Washer - 23.9x17.2x1.5 - 10 Pk - Ri/Junior/CDi
Part No: 1012315 MPN: 87101030430
008 Worcester Bosch 87161410570 Flow Regulator Type E-W - 10 Litre Blue - Greenstar
Part No: 1017703 MPN: 87161410570
013 Worcester Bosch 29124212250 Flat Head Type B Self Tap Screw - 8x1/2 - Pack of 10
Part No: 1011109 MPN: 29124212250
012 Worcester Bosch 87161482040 Captive Nut - No:8 - CDi/Camray/Danesmoor
Part No: 1019159 MPN: 87161482040


