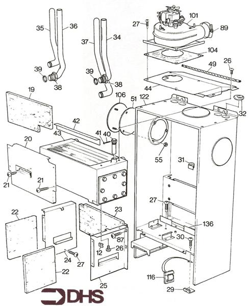
Baffles for Glowworm Ultimate 40 FF
Brand: Glowworm Range: ULTIMATE Model: 40 FF GC Number: 41-319-57
We have a range of spare parts for the Glowworm Ultimate 40 FF. Can't find the part you're looking for? You can contact us and a member of our team will be more than happy to help find the part you need.
All of our boiler manuals are free to download from our boiler manuals section
You can narrow your results further by choosing one of the following sub-appliances:
