Uncategorised for Glowworm Fuelsaver UFB 30 B
Brand: Glowworm Range: FUELSAVER Model: UFB 30 B GC Number: 41-319-32
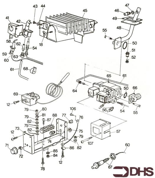
We have a wide range of spare parts for the Glowworm Fuelsaver UFB 30 B. Can't find the part you're looking for? You can contact us and a member of our team will be more than happy to help find the part you need.
All of our boiler manuals are free to download from our boiler manuals section
You can narrow your results further by choosing one of the following sub-appliances:



