Uncategorised for Ideal Commercial Imax W80
Brand: Ideal Commercial Range: IMAX Model: W80
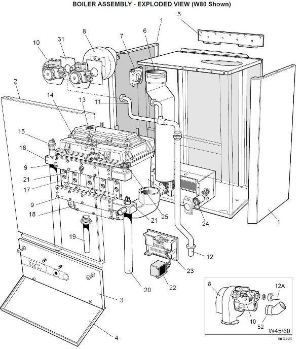
Here you can find the spare parts for the Ideal Commercial Imax W80. Can't find the part you're looking for? You can contact us and a member of our team will be more than happy to help find the part you need.
All of our boiler manuals are free to download from our boiler manuals section
You can narrow your results further by choosing one of the following sub-appliances:

