Uncategorised for Ideal Commercial Viscount Es Cfe 800
Brand: Ideal Commercial Range: VISCOUNT Model: ES CFE 800
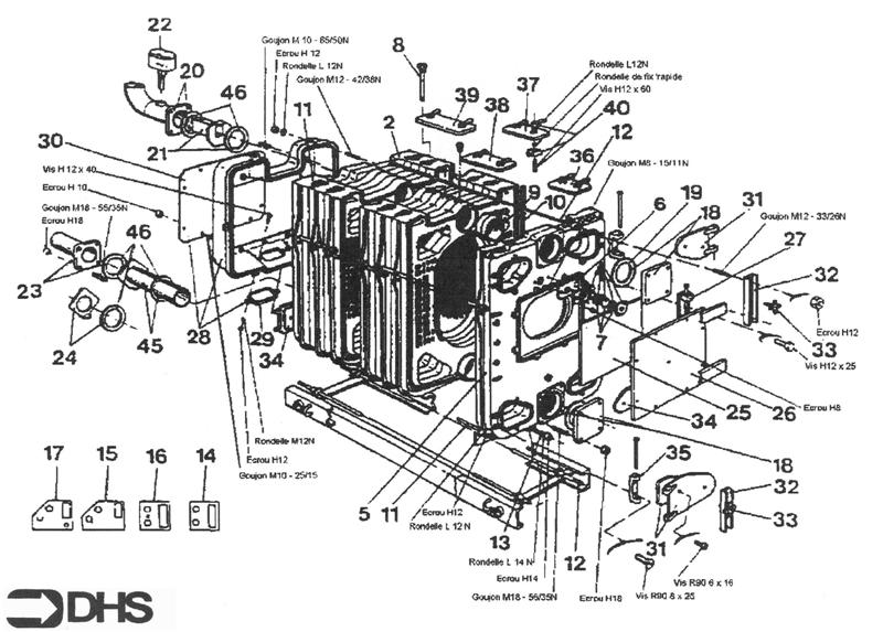
We have a range of spare parts for the Ideal Commercial Viscount Es Cfe 800. Can't find the part you're looking for? You can contact us and a member of our team will be more than happy to help find the part you need.
All of our boiler manuals are free to download from our boiler manuals section
You can narrow your results further by choosing one of the following sub-appliances:


