Uncategorised for Potterton Kingfisher 2 RS 40B
Brand: Potterton Range: KINGFISHER 2 Model: RS 40B GC Number: 41-607-17
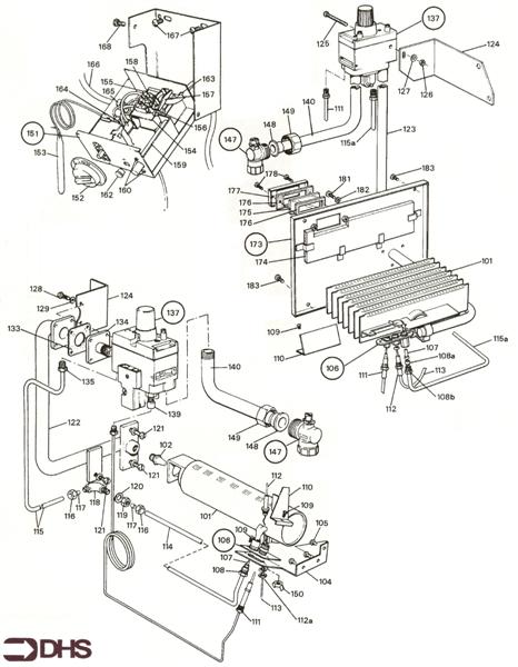
We have a wide range of spare parts for the Potterton Kingfisher 2 RS 40B. Can't find the part you're looking for? You can contact us and a member of our team will be more than happy to help find the part you need.
Installation ManualAll of our boiler manuals are free to download from our boiler manuals section
You can narrow your results further by choosing one of the following sub-appliances:



