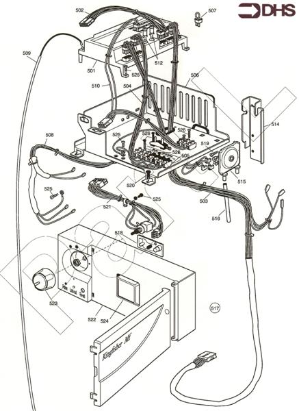
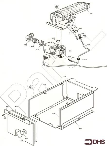
Uncategorised for Potterton Kingfisher Mf RSL 100
Brand: Potterton Range: KINGFISHER MF Model: RSL 100 GC Number: 41-590-41
Here you can find the spare parts for the Potterton Kingfisher Mf RSL 100. Can't find the part you're looking for? You can contact us and a member of our team will be more than happy to help find the part you need.
Installation ManualAll of our boiler manuals are free to download from our boiler manuals section
You can narrow your results further by choosing one of the following sub-appliances:



