Uncategorised for Riello G10D 716T81 3746686
Brand: Riello Range: G10D Model: 716T81 3746686
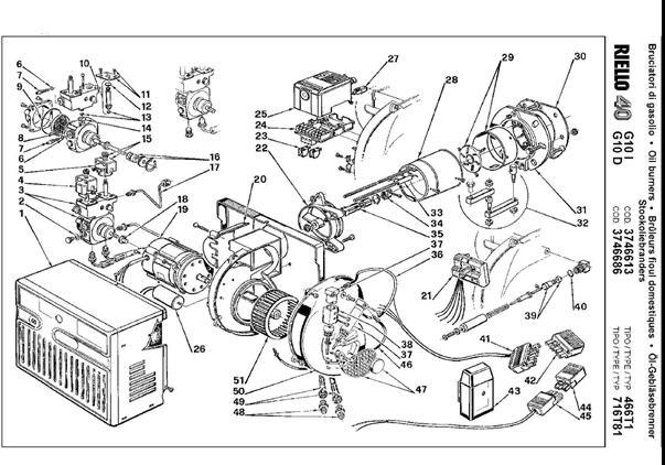
Here you can find the spare parts for the Riello G10D 716T81 3746686. Can't find the part you're looking for? You can contact us and a member of our team will be more than happy to help find the part you need.
All of our boiler manuals are free to download from our boiler manuals section
You can narrow your results further by choosing one of the following sub-appliances:
